top of page
Create Your First Project
Start adding your projects to your portfolio. Click on "Manage Projects" to get started
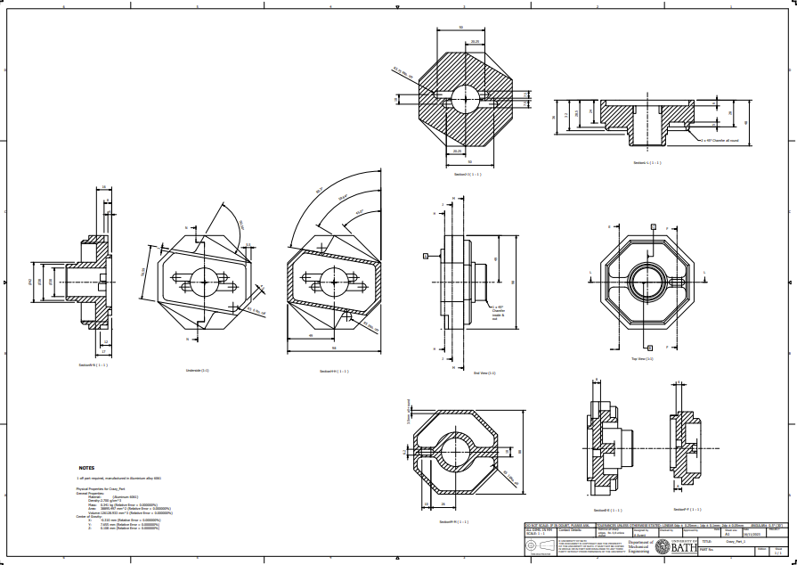
Created a complex CAD part from a detailed engineering drawing with multiple orthographic and section views, chamfers, fillets, holes, and precise dimensions. The task involved interpreting the full drawing layout, planning the modelling sequence, and building the component accurately in CAD. The part was specified as Aluminium 6061. Physical properties like mass, volume, surface area, and centre of gravity were used to verify the final model. This developed my ability to read advanced engineering drawings, model non-standard geometry, and check CAD accuracy against manufacturing data.






bottom of page